
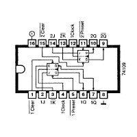
74LS76, flip-flop J-K dual con preselección que ofrece pulsos individuales J, K, reloj pulsado, entradas de direct set y direct clear. Estos flip-flops dobles están diseñados para que cuando el reloj se pone ALTO, las entradas se activan y se aceptan datos.
Especificaciones
Tipo: Dual J-K Flip Flop
Tensión de alimentación mínima: 4.75 V
Tensión de alimentación máxima: 5.25 V
Rango temperatura de funcionamiento: 0 A


